JVLCP-E05705715-D
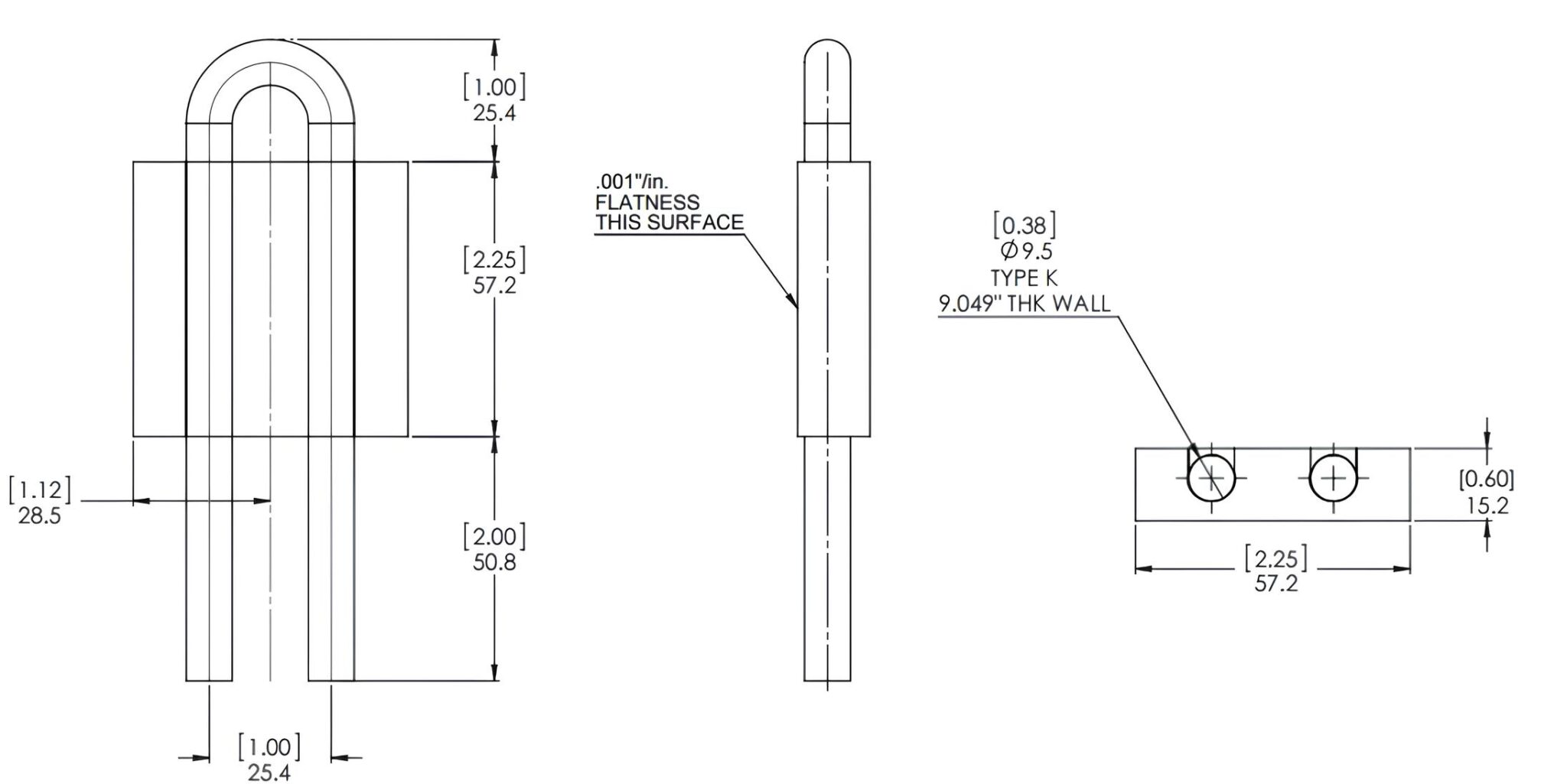
Embedded Tube Cooling Plates Liquid Cooling PlatesDimensions: L57 x W57 x T15 mm
- Base Plate: Extruded Aluminum.
- Copper Tube Material: .0375” OD x .049” wall
- Thermal Epoxy fill with high thermal conductivity


Dimensions: L57 x W57 x T15 mm

